Fluke 8100A and 8100B Nixie voltmeter schematics and manual

The complete manual is here:

8100B title page
8100B case changes

8100A title page
Manual Errata page 1
Manual Errata page 2

Table of Contents page 1
Table of Contents page 2
Illustrations page 1
Illustrations page 2

1-1 Intro and Specifications
1-2
1-3

2-1 Operating Instructions
2-2
2-3
2-4
2-5
2-6

3-1 Theory of Operation
3-2
3-3
3-4
3-5
3-6
3-7
3-8
3-9
3-10
3-11

4-1 Maintenance
4-2
4-3
4-4
4-5
4-6
4-7
4-8
4-9
4-10
4-11
4-12
4-13
4-14
4-15
4-16
4-17

5-1 List of Replaceable Parts
5-2
5-3
5-4
5-5
5-6
5-7
5-8
5-9
5-10
5-11
5-12
5-13
5-14
5-15
5-16
5-17
5-19 left
5-19 right
5-21
5-22B left
5-22B right
5-23
5-24
5-25
5-26
5-27
5-28
5-29
5-30
5-31
5-32

6-1 Accessories and Options
6-2
6-3
6-4
6-5
6-6

Early prod. Schem p1 left
Early prod. Schem p1 right
Early prod. Schem p2 left
Early prod. Schem p2 right
Early prod. Schem p3
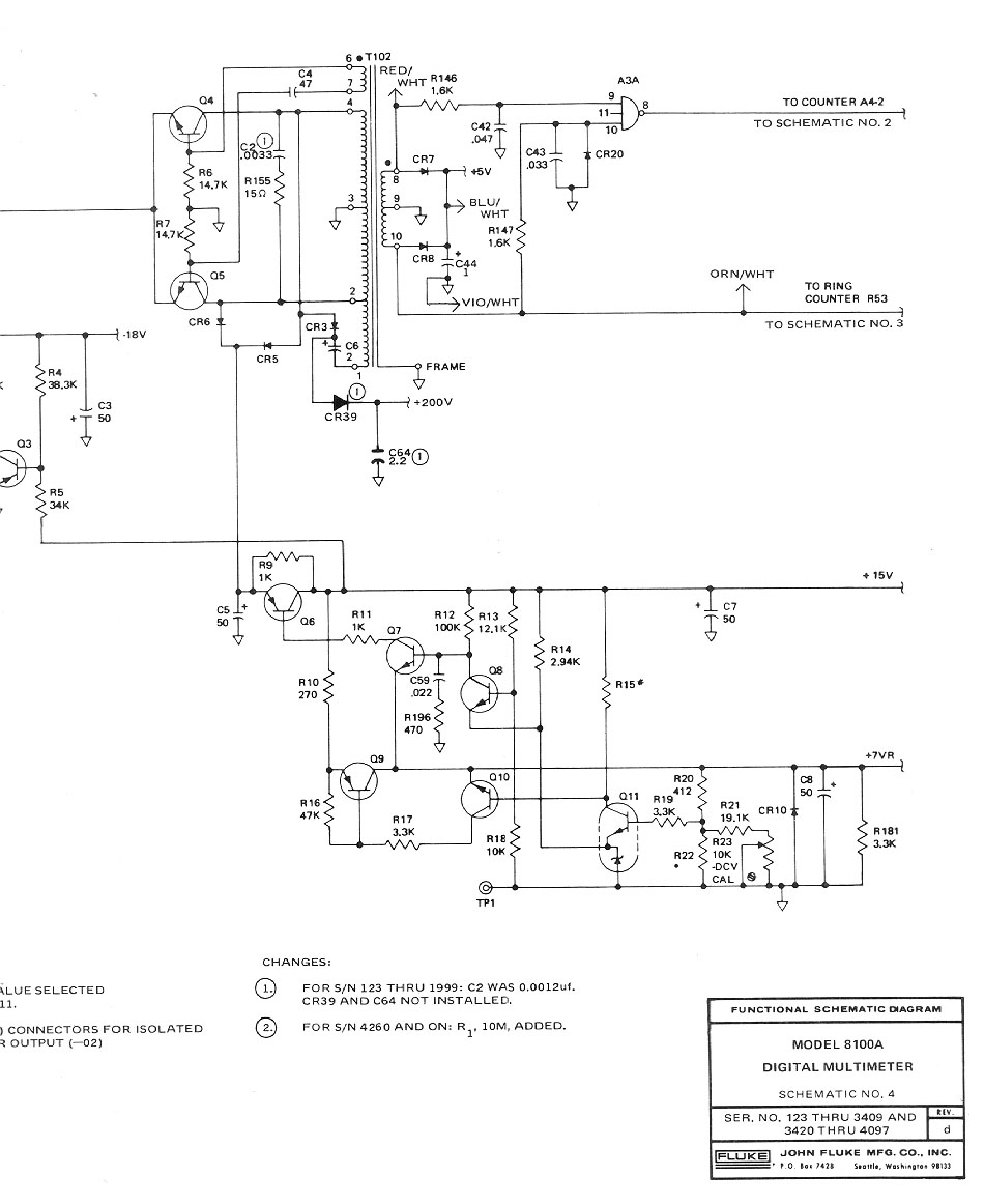
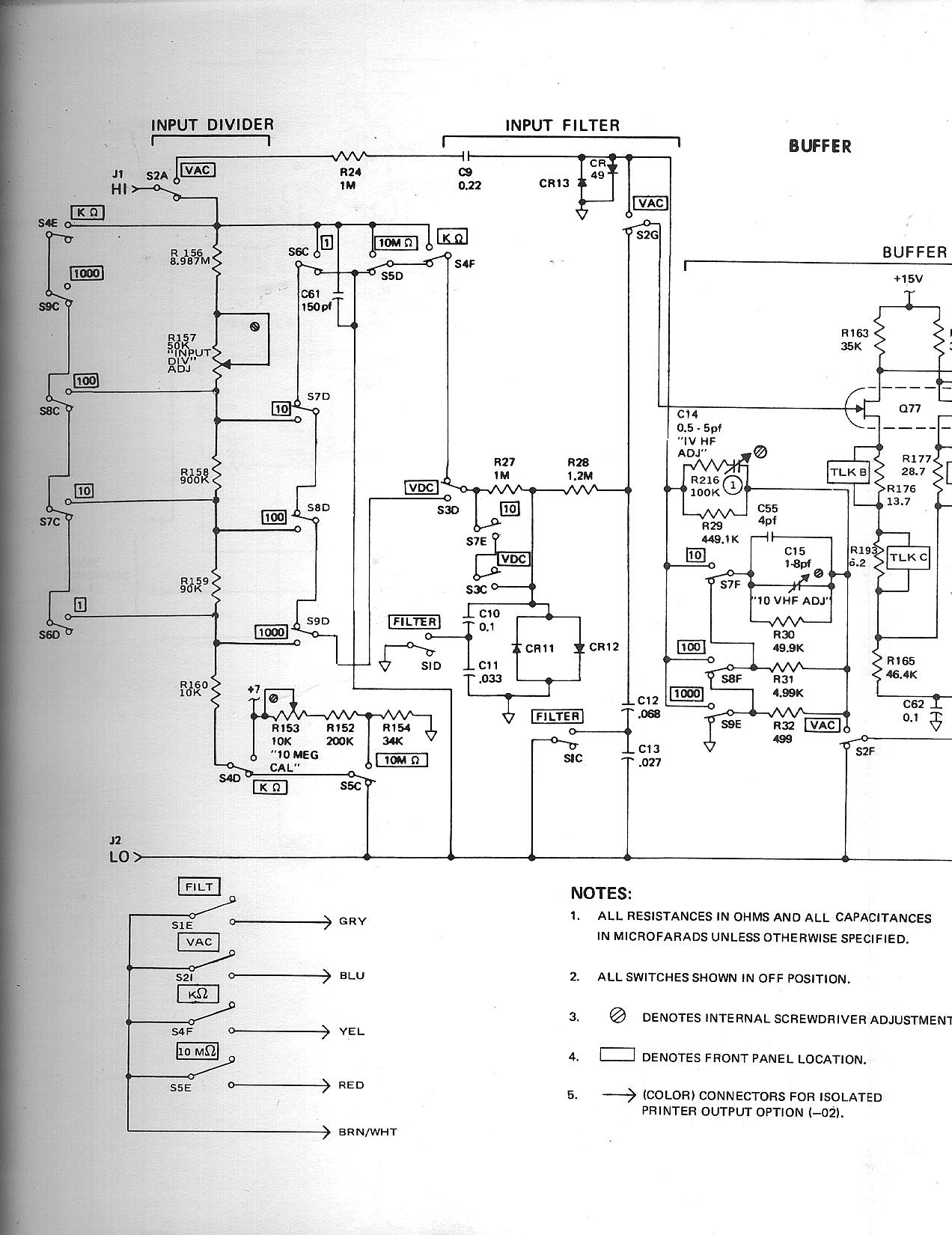
Early prod. Schem p4 left
Early prod. Schem p4 right

Late prod. Schem p1 left
Late prod. Schem p1 right
Late prod. Schem p2 left
Late prod. Schem p2 right
Late prod. Schem p3 left
Late prod. Schem p3 right
Late prod. Schem p4 left
Late prod. Schem p4 right

Page created on Aug. 24, 2005 by David Forbes.